dieselsobotka.pl
tag-img

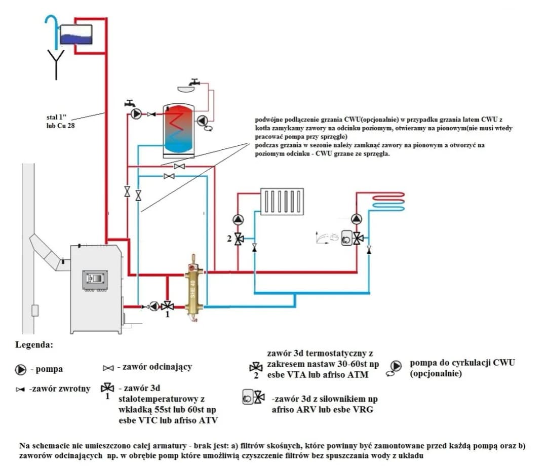
Tag montaż sprzęgła hydraulicznego

1 / 1